ÀûÀ´¹ú¼Ê

²úÆ··ÖÀà

CIPÏ´åª×°±¸ÏµÁÐ
·µ»ØÁбí²úÆ·×Éѯ

ÓÃ;¼°ÐÔÄÜ£º

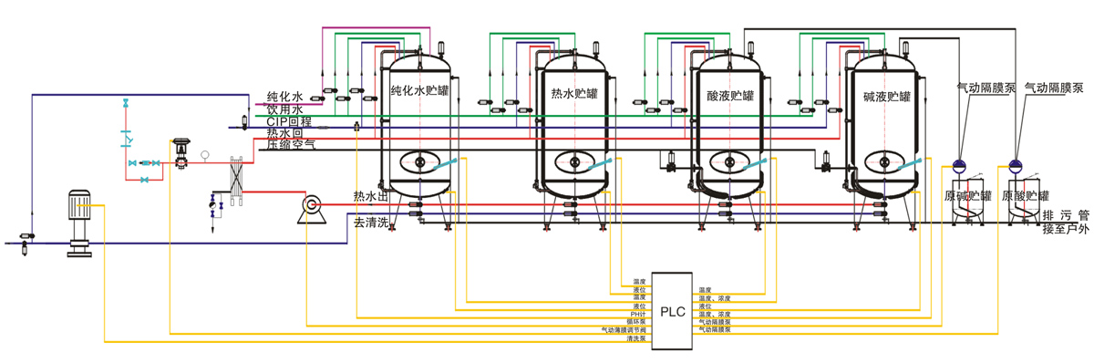
CIPÏ´åªÏµÍ³Ë׳ƾ͵ØÏ´åªÏµÍ³±»ÆÕ±éµÄÓÃÓÚÖÆÒ©¡¢Ê³Îï¡¢ÒûÁÏ¡¢È鯷¡¢¹ûÖ­¡¢¹û½¬¡¢¹û½´¡¢¾ÆÀàµÈ»úе»¯Ë®Æ½½Ï¸ßµÄÉú²úÆóÒµÖС£¾ÍµØÏ´åª¼ò³ÆCIP £¬ÓÖ³ÆÏ´åª¶¨Î»»ò¶¨Î»Ï´åª£¨cleaning in place£©¡£¾ÍµØÏ´åªÊÇÖ¸²»±Ø²ð¿ª»òÒÆ¶¯×°Öà £¬¼´½ÓÄɸßΡ¢¸ßŨ¶ÈµÄÏ´¾»Òº £¬¶Ô×°±¸×°ÖüÓÒÔÇ¿Á¦×÷Óà £¬°ÑÓëÎïÁϵĽӴ¥ÃæÏ´¾»,¶ÔÎÀÉú¼¶±ðÒªÇó½ÏÑÏ¿áµÄÉú²ú×°±¸µÄϴ媡¢¾»»¯¡£

 

ÌØµã£º

1¡¢CIPÏ´åªÏµÍ³Äܰü¹ÜÒ»¶¨µÄÏ´åªÐ§¹û £¬Ìá¸ß²úÆ·µÄÇå¾²ÐÔ£»

2¡¢½ÚÔ¼²Ù×÷ʱ¼ä £¬Ìá¸ßЧÂÊ£»½ÚÔ¼ÀͶ¯Á¦ £¬°ü¹Ü²Ù×÷Çå¾²£»

3¡¢½ÚԼˮ¡¢ÕôÆûµÈÄÜÔ´ £¬ïÔÌ­Ï´µÓ¼ÁÓÃÁ¿£»

4¡¢Éú²ú×°±¸¿ÉʵÏÖ´óÐÍ»¯ £¬×Ô¶¯»¯Ë®Æ½¸ß£»

5¡¢ÑÓÓÀÉú²ú×°±¸µÄʹÓÃÊÙÃü¡£

6¡¢È«×Ô¶¯CIPÏ´åªÏµÍ³ £¬ÄܶÔÏ´åªÒº¾ÙÐÐ×Ô¶¯¼ì²â.¼ÓÒº.ÅÅ·Å.ÏÔʾÓëµ÷½â £¬¶ÔÆäÔËÐпɿ¿ £¬×Ô¶¯»¯Ë®Æ½¸ß £¬²Ù×÷¼òÆÓ £¬Ï´åªÐ§¹ûºÃ £¬Òò¶ø¸üÇкÏÏÖ´ú´ó¹æÄ£Á÷ÌåÒ©Æ·¡¢Ê³Îï¼Ó¹¤¹¤ÒÕµÄÎÀÉúÒªÇó¼°Éú²úÇéÐÎÒªÇó¡£

 

CIPÏ´åªÏµÍ³µÄ×é³É£º

ÇåË®¹Þ¡¢ÈÈË®¹Þ¡¢ËáÒº¹Þ¡¢¼îÒº¹Þ¡¢Ô­Ëá¹Þ¡¢Ô­¼î¹Þ¡¢°åʽ»»ÈÈÆ÷¡¢Ï´åª±Ã¡¢Ñ­»·±Ã¡¢¹ýÂËÆ÷¡¢Æø¶¯¸ôĤ±Ã¡¢Ëá/¼îŨ¶È¼Æ¡¢PH¼Æ¡¢Ï½µµÍ¬½ÓÊÜ·ºÍµçÆø¿ØÖÆÏµÍ³¡£

 

ÖÖÀࣺ·ÖΪÊÖ¶¯ÐÍ¡¢°ë×Ô¶¯ÐͺÍ×Ô¶¯ÐÍ

 

¹æ¸ñÐͺż°Ö÷ÒªÊÖÒÕ²ÎÊý

²ÎÊý/¹æ¸ñÐͺŠCIP500 CIP1000 CIP1000 CIP10000
Ô­Ëá¹ÞÈÝ»ý (L) 50 80 100 200
Ô­¼î¹ÞÈÝ»ý (L) 50 80 100 200
ËáÒº¹ÞÈÝ»ý (L) 500 1000 2000 10000
¼îÒº¹ÞÈÝ»ý (L) 500 1000 2000 10000
ÈÈË®¹ÞÈÝ»ý (L) 500 1000 2000 10000
ÇåË®¹ÞÈÝ»ý (L) 500 1000 2000 10000
Ñ­»·±Ã (T/h) 1.5 3.0 5.0 20.0
ϴ媱à (T/h) 3.0 5.0 10.0 20.0
»»ÈÈÆ÷ (m2) 3.0 5.0 7.0 15.0

ÒÔÉÏÐͺŽö¹©²Î¿¼ £¬¿É°´Óû§ÒªÇó¾ÙÐÐ·Ç±ê¶¨ÖÆ

 

ÀûÀ´¡¤¹ú¼Ê(Öйú)×îÀÏÅÆ-Öйú¹ÙÍø

ÏúÊÛÈÈÏß

0577-8692-2388

´«Õ棺0577-86922389

ÓÊÏ䣺sales@wenxiong.com

µØµã£ºÕã½­Ê¡ÎÂÖÝÊÐÓÀÇ¿¸ßÐÂÊÖÒÕ¹¤ÒµÔ°Çø

Copyright?ÀûÀ´¹ú¼Ê All Rights Reserved. ÕãICP±¸11035023ºÅ Áª¿Æ¿Æ¼¼
ÊÖÒÕÖ§³Ö£ºÁª¿Æ¿Æ¼¼

ÍøÕ¾µØÍ¼